CEGF-0.75
CEGF-0.75 (09330006215) контакт типа «мама» (для вставок HEE, HM, HK), 16A, покрытие золотом
95.00 ₽
В наличии: 390 шт.
Описание
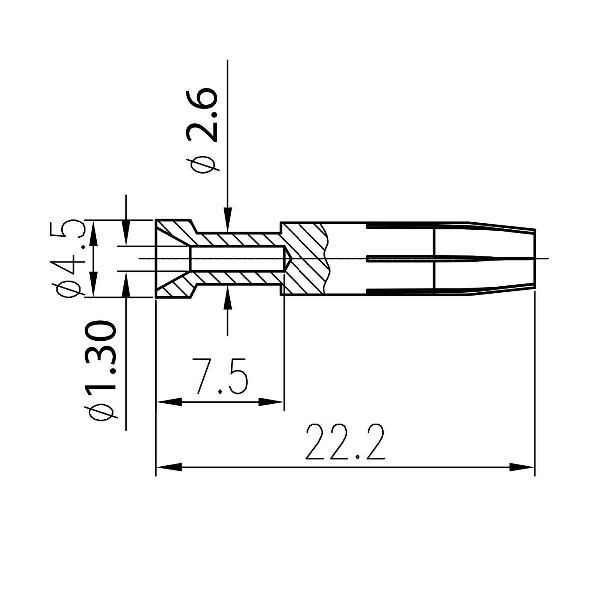
Обжимной контакт на ток до 16A CEGF-0.75 (09330006215)
- Номинальный ток: 16A
- Тип контакта: female/«мама»
- Материал контакта: медный сплав
- Покрытие: золото
- Сопротивление контакта: ≤1 мОм
- Поперечное сечение проводника: 0.75 мм²
- AWG: 18
- Длина снятие изоляции: 7.5 мм
- Подходят для контактных вставок: HA, HE, HEE, HM, HK
- Идентификация: 1 канавка
Артикул: 09330006215
Технические характеристики
Тип контактарозеточный
Материал контактамедный сплав
Обработка поверхности контактазолотое покрытие
Номинальный ток контакта16 A
Сопротивление контакта≤1 mΩ
Поперечное сечение проводника (mm²)0.75
Поперечное сечение проводника (AWG)18
Диаметр отверстия для провода (mm)1.3
Длина снятия изоляции7.5 mm
Идентификация1 канавка
Циклы сопряжения≥500
СовместимостьПрименяется для вставок HA, HE, HEE, HM, HK, HQ
Детали
| Вес | 0.00165 кг |
|---|---|
| Габариты | 2.3 × 0.45 × 0.45 см |
Аналоги
ILME CCFD 0.7







