CESF-2.5
CESF-2.5 (09330006202) контакт типа «мама» (для вставок HEE, HM, HK), 16A, покрытие серебром
54.00 ₽
В наличии: 937 шт.
Описание
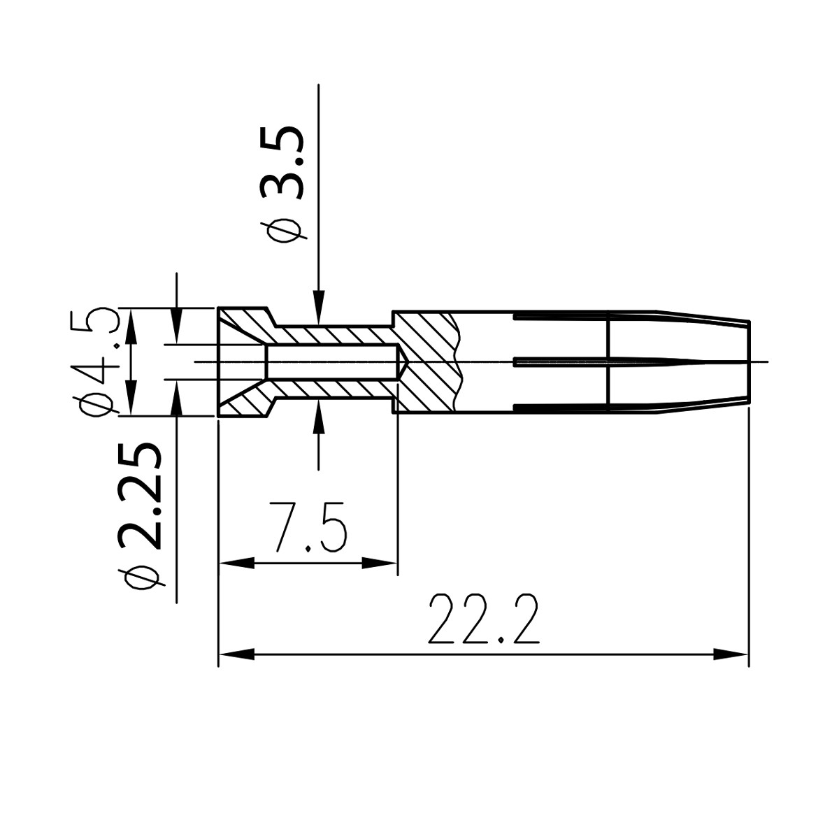
Обжимной контакт на ток до 16A CESF-2.5 (09330006202)
- Номинальный ток: 16A
- Тип контакта: female/«мама»
- Материал контакта: медный сплав
- Покрытие: серебро
- Сопротивление контакта: ≤1 мОм
- Поперечное сечение проводника: 2.5 мм²
- AWG: 14
- Длина снятие изоляции: 7.5 мм
- Подходят для контактных вставок: HA, HE, HEE, HM, HK
- Идентификация: 3 канавки
Артикул: 09330006202
Детали
| Вес | 0.00165 кг |
|---|---|
| Габариты | 2.3 × 0.45 × 0.45 см |
Аналоги
Аналог Weidmuller:
HDC-C-HE-BM2.5AG (1201400000)
Аналог ILME:
CCFA 2.5
Аналог MeteCon:
141056








