CESF-3.0
CESF-3.0 (09330006206) контакт типа «мама» (для вставок HEE, HM, HK), 16A, покрытие серебром
54.00 ₽
Под заказ. 4-6 недель
Описание
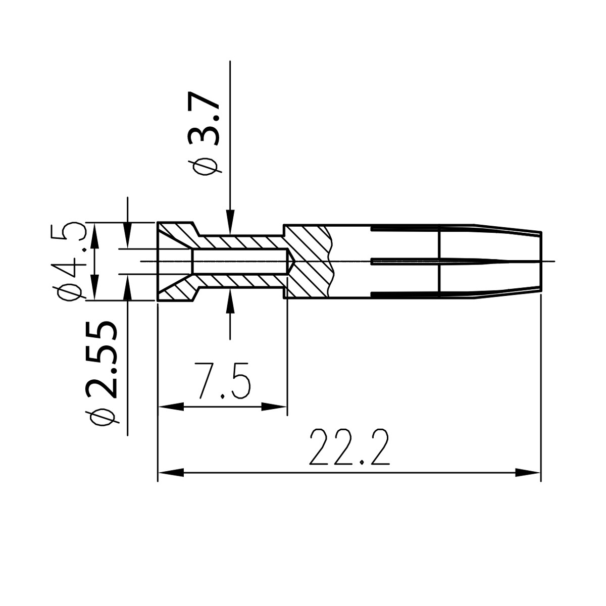
Обжимной контакт на ток до 16A CESF-3.0 (09330006206)
- Номинальный ток: 16A
- Тип контакта: female/«мама»
- Материал контакта: медный сплав
- Покрытие: серебро
- Сопротивление контакта: ≤1 мОм
- Поперечное сечение проводника: 3.0 мм²
- AWG: 12
- Длина снятие изоляции: 7.5 мм
- Подходят для контактных вставок: HA, HE, HEE, HM, HK
- Идентификация: широкая канавка
Артикул: 09330006206
Технические характеристики
Тип контактарозеточный
Материал контактамедный сплав
Обработка поверхности контактасеребряное покрытие
Номинальный ток контакта16 A
Сопротивление контакта≤1 mΩ
Поперечное сечение проводника (mm²)3.0
Поперечное сечение проводника (AWG)12
Диаметр отверстия для провода (mm)2.55
Длина снятия изоляции7.5 mm
Идентификацияширокая канавка
Циклы сопряжения≥500
СовместимостьПрименяется для вставок HA, HE, HEE, HM, HK, HQ
Детали
| Вес | 0.00165 кг |
|---|---|
| Габариты | 2.3 × 0.45 × 0.45 см |
Аналоги
ILME CCFA 3.0
MeteCon 141057







