CESM-0.37
CESM-0.37 (09330006127) контакт типа «папа» (для вставок HEE, HM, HK), 16A, покрытие серебром
54.00 ₽
В наличии: 1425 шт.
Описание
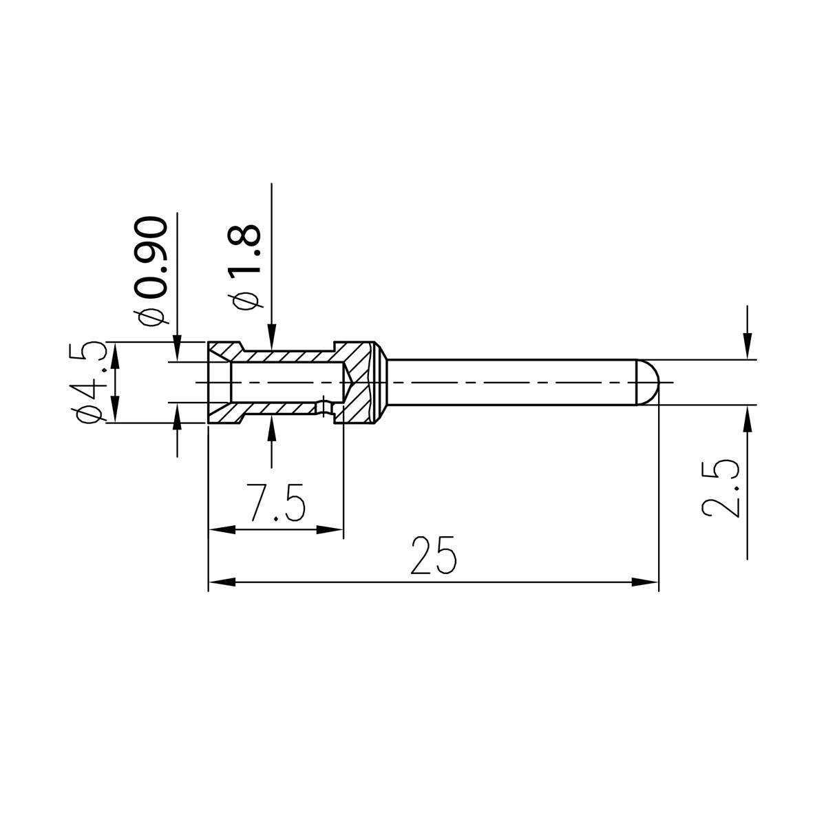
Обжимной контакт на ток до 16A CESM-0.37 (09330006127)
- Номинальный ток: 16A
- Тип контакта: male/«папа»
- Материал контакта: медный сплав
- Покрытие: серебро
- Сопротивление контакта: ≤1 мОм
- Поперечное сечение проводника: 0.14 — 0.37 мм²
- AWG: 26 — 22
- Длина снятие изоляции: 7.5 мм
- Подходят для контактных вставок: HA, HE, HEE, HM, HK
- Идентификация: без канавок
Артикул: 09330006127
Технические характеристики
Тип контактавилочный
Материал контактамедный сплав
Обработка поверхности контактасеребряное покрытие
Номинальный ток контакта16 A
Сопротивление контакта≤1 mΩ
Поперечное сечение проводника (mm²)0.14-0.37
Поперечное сечение проводника (AWG)26-22
Диаметр отверстия для провода (mm)0.9
Длина снятия изоляции7.5 mm
Идентификациябез канавки
Циклы сопряжения≥500
СовместимостьПрименяется для вставок HA, HE, HEE, HM, HK, HQ
Детали
| Вес | 0.0013 кг |
|---|---|
| Габариты | 2.5 × 0.45 × 0.45 см |
Аналоги
ILME CCMA 0.3
MeteCon 141061









